TeamSwift

Home of the Suzuki mini-compacts ! Your Home for all things Suzuki Swift, Geo Metro, Holden Barina, Chevy Sprint, Pontiac Firefly, and Suzuki Cultus. TeamSwift is a technical performance oriented community!
It is currently Fri Nov 24, 2017 9:32 am

Underbody braces, turbos and more!

All times are UTC - 5 hours




Post new topic Reply to topic  [ 7 posts ] 
Author Message
PostPosted: Sat Dec 14, 2013 7:51 pm 
Offline

Joined: Sat Apr 07, 2012 7:52 am
Posts: 49
Location: Groveport, OH
Just had the original carburetor rebuilt on my 1988 Chevy Sprint Metro and am now reinstalling it. Problem is I don't know how or where to reinstall all of the tiny rubber hoses that I'm assuming are evap lines of some sort. Also, when I received the carb back from the rebuilders they had a straight rubber line where other posts show a pcv type valve going.

I've searched some of the threads here, but am curious if a video exists of a rebuild for my make and year. I'd also like to know where this line goes....the back passenger side of the firewall.

Image

Also, is this a pcv valve, and where should it go??

Image

Thanks.

GeoStalker


Top
 Profile  
 
PostPosted: Tue Dec 17, 2013 2:19 pm 
Offline

Joined: Sat Apr 07, 2012 7:52 am
Posts: 49
Location: Groveport, OH
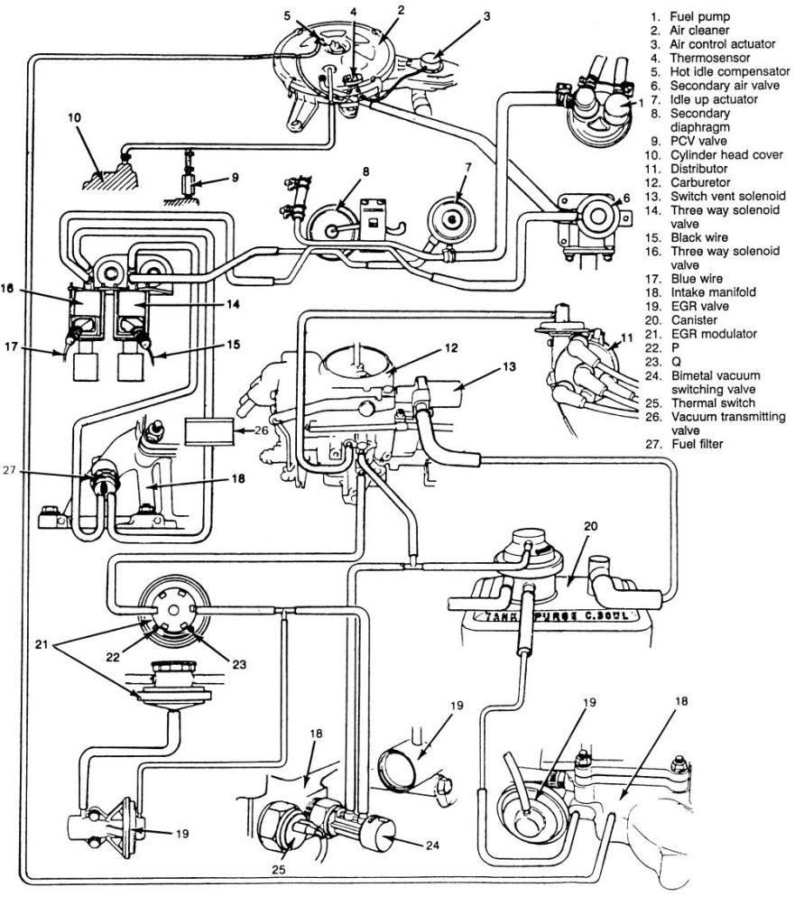
A friend of mine in another forum found this schematic of the Sprint carburetor. I hope somebody here can use it as well.

Image


Top
 Profile  
 
PostPosted: Tue Jan 14, 2014 12:14 am 
Offline
User avatar

Joined: Mon Mar 07, 2011 9:07 pm
Posts: 557
Location: alabama
STALKER,

your top picture looks very much like the bowl vent hose. If you look at your schematic, you will see a larger sized hose attached just to the back side of item 13, "bowl vent solenoid"

Your small white plastic vessel, is not a PCV valve. The PCV valve is located screwed into the top of the intake manifold directly in front of the carburetor. The hose coming out of the top of your valve cover has a t pipe of sorts the hooks to your pcv, which by the way is usually metal.

The small white device is a vacuum check valve. (allows flow in only one direction). Ive seen some carbs with just one, others with 2. The most common place I have seen one is attached to the front of the choke pull-off vacuum module. This module is mounted just to the left of the idle up actuator ( A larger vacuum module). Both are located on the right side of the carb if you look at it head on.

_________________
Mike
Valley Grande, AL
1986 Sprint plus

Do you maintain a personal fleet like I do?
Why do we do it?
Because it's what we enjoy and because we CAN.
2011 camaro, 2005 Vibe, 2016 Outback, 06 Expedition, 87 Porsche 911, 87 Turbo sprint, 82 Brat, 73 gmc 4x4, 69 camaro, 99 Gl1500 Honda Goldwing, 12 Kawasaki klr650, 2012 Kubota L3200, and we wont even go into the small stuff.


Top
 Profile  
 
PostPosted: Tue Jan 14, 2014 6:48 am 
Offline
User avatar

Joined: Tue Oct 24, 2006 3:09 pm
Posts: 4998
Location: Palm Springs: Too hot from June to Oct.!
That schematic isn't for an '88 Sprint, and appears to be an incomplete Figure 5-2 on page 5-5 of the Carburetor Repair Manual provided elsewhere on this site.
But thanks for trying.
:razz:

_________________
DIY Broken Bolt Removal: viewtopic.php?f=22&t=41042
DIY Clutch Adjustment: viewtopic.php?f=9&t=48281
DIY Wheel Bearings: viewtopic.php?f=2&t=29003
DIY Shocks: viewtopic.php?f=10&t=45483
DIY Wheel Align: viewtopic.php?f=2&t=42479
Once you get the cars dialed-in (compression, leaks, bearings, alignment, brakes) swap in new rubber and glass, you've got something which should last for years!


Top
 Profile  
 
PostPosted: Tue Jan 14, 2014 11:53 pm 
Offline
User avatar

Joined: Mon Mar 07, 2011 9:07 pm
Posts: 557
Location: alabama
Phil is correct.....but gotta admit that is one of the clearest shots of that schematic I have seen in some time.

_________________
Mike
Valley Grande, AL
1986 Sprint plus

Do you maintain a personal fleet like I do?
Why do we do it?
Because it's what we enjoy and because we CAN.
2011 camaro, 2005 Vibe, 2016 Outback, 06 Expedition, 87 Porsche 911, 87 Turbo sprint, 82 Brat, 73 gmc 4x4, 69 camaro, 99 Gl1500 Honda Goldwing, 12 Kawasaki klr650, 2012 Kubota L3200, and we wont even go into the small stuff.


Top
 Profile  
 
PostPosted: Wed Jan 15, 2014 2:06 am 
Offline
User avatar

Joined: Tue Oct 24, 2006 3:09 pm
Posts: 4998
Location: Palm Springs: Too hot from June to Oct.!
mkc1962 wrote:
Phil is correct.....but gotta admit that is one of the clearest shots of that schematic I have seen in some time.

Agreed it is clear - however, I suspect someone trying to install a carburetor on an '87 or '88 might run across this thread and end up feeling like an IDIOT when they realize it is the wrong vacuum diagram.
The OP should have at least included the key at the bottom. He's sadly included only a fragment when a library exists.

If you want to install a carburetor on an '88 Sprint, there are many threads here from members who have posted pictures and detailed explanations.
mkc1962 even has some nice videos and workarounds to simple problems.
Glacierburst goes into great detail and is passionate about getting a Hitachi to eek out every ounce of energy from a drop of gas.

The title of this thread is misleading.
I suspect the thread starter may mean well but hasn't much experience installing carburetors.
Members would be well advised to use the carburetor rebuild guide and driveablility and emissions chapters of the factory service manual, made available by our MK1 members.
Those two guides should be more than enough to properly install and tune a stock Hitachi MK1 NA.

_________________
DIY Broken Bolt Removal: viewtopic.php?f=22&t=41042
DIY Clutch Adjustment: viewtopic.php?f=9&t=48281
DIY Wheel Bearings: viewtopic.php?f=2&t=29003
DIY Shocks: viewtopic.php?f=10&t=45483
DIY Wheel Align: viewtopic.php?f=2&t=42479
Once you get the cars dialed-in (compression, leaks, bearings, alignment, brakes) swap in new rubber and glass, you've got something which should last for years!


Top
 Profile  
 
PostPosted: Sun Feb 23, 2014 8:21 pm 
Offline

Joined: Sat Apr 07, 2012 7:52 am
Posts: 49
Location: Groveport, OH
Thanks to mkc1962 for your input regarding my questions......it was extremely insightful and helpful.

Regarding the schematic, I was able to use it in reinstalling all of the hoses to the original carburetor, which I had rebuilt by a local, reputable company in Columbus, OH called Hite Remanufacturing. Came back looking and operating like new. It cost $350 for the rebuild, but has been well worth it.

Phil N Ed.........thanks.


Phil N Ed wrote:
mkc1962 wrote:
Phil is correct.....but gotta admit that is one of the clearest shots of that schematic I have seen in some time.

Agreed it is clear - however, I suspect someone trying to install a carburetor on an '87 or '88 might run across this thread and end up feeling like an IDIOT when they realize it is the wrong vacuum diagram.
The OP should have at least included the key at the bottom. He's sadly included only a fragment when a library exists.

If you want to install a carburetor on an '88 Sprint, there are many threads here from members who have posted pictures and detailed explanations.
mkc1962 even has some nice videos and workarounds to simple problems.
Glacierburst goes into great detail and is passionate about getting a Hitachi to eek out every ounce of energy from a drop of gas.

The title of this thread is misleading.
I suspect the thread starter may mean well but hasn't much experience installing carburetors.
Members would be well advised to use the carburetor rebuild guide and driveablility and emissions chapters of the factory service manual, made available by our MK1 members.
Those two guides should be more than enough to properly install and tune a stock Hitachi MK1 NA.


Top
 Profile  
 
Display posts from previous:  Sort by  
Post new topic Reply to topic  [ 7 posts ] 

All times are UTC - 5 hours


Who is online

Users browsing this forum: No registered users and 1 guest


You cannot post new topics in this forum
You cannot reply to topics in this forum
You cannot edit your posts in this forum
You cannot delete your posts in this forum
You cannot post attachments in this forum

Search for:
Jump to:  
Powered by phpBB® Forum Software © phpBB Group